TOTO TBV01S02JA 取扱説明書 商品図面 施工説明書 分解図
各種図面のご利用については 免責事項をご確認の上ご利用ください。
TBV01404JC 壁付サーモスタット混合水栓取扱説明書
このデータは2022年12月 現在のものです。
TBW01006JA ホース付シャワーヘッド取扱説明書
このデータは2022年12月 現在のものです。
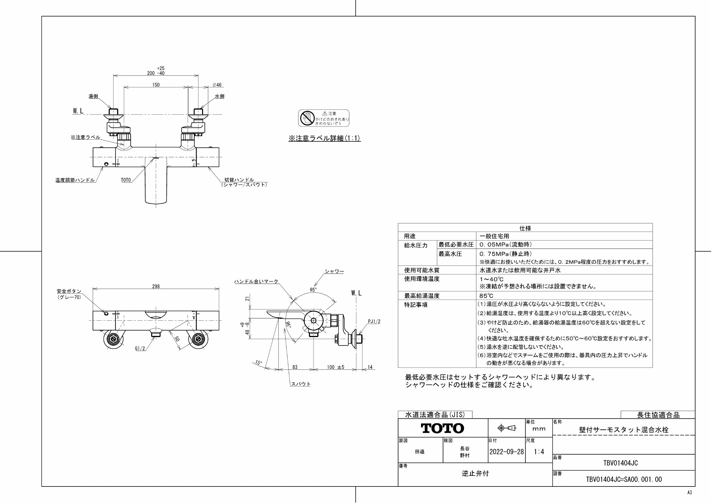
TBV01404JC 壁付サーモスタット混合水栓商品図面
このデータは2022年12月 現在のものです。
TBV01S02JA 壁付サーモスタット混合水栓_商品図面
このデータは2022年12月 現在のものです。
TBV01404JC 壁付サーモスタット混合水栓施工説明書
このデータは2022年12月 現在のものです。
TBW01006JA ホース付シャワーヘッド施工説明書
このデータは2022年12月 現在のものです。
TBV01404JC 壁付サーモスタット混合水栓分解図
このデータは2022年12月 現在のものです。
TBW01006JA ホース付シャワーヘッド分解図
このデータは2022年12月 現在のものです。




















