TOTO TLK07S10JA 取扱説明書 商品図面 施工説明書 分解図
各種図面のご利用については 免責事項をご確認の上ご利用ください。
TLK01102JB 機能部取扱説明書
このデータは2023年2月 現在のものです。
TLK01102JB 機能部商品図面
このデータは2023年2月 現在のものです。
TLK07003J スパウト部商品図面
このデータは2023年2月 現在のものです。
TLK01102JB 機能部施工説明書
このデータは2023年2月 現在のものです。
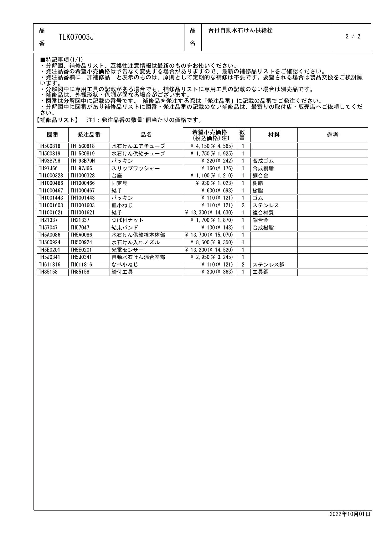
TLK07003J スパウト部分解図
このデータは2023年2月 現在のものです。




















