LIXIL(リクシル) CW-PA21A-NE-R3 シャワートイレPAシリーズ 取扱説明書 商品図面 施工説明書
各種図面のご利用については 免責事項をご確認の上ご利用ください。
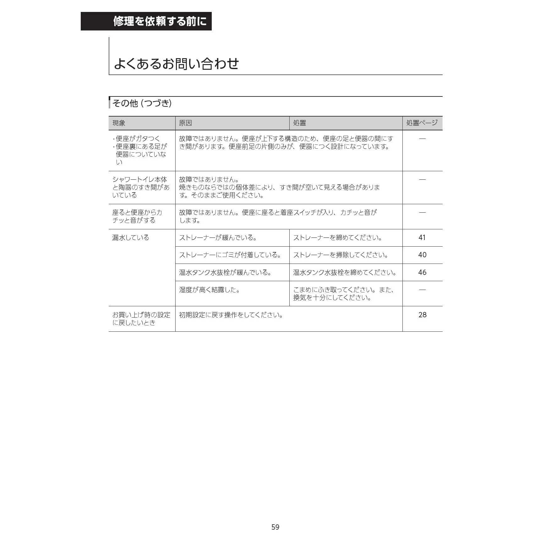
CW-PA21A-NE-R3 シャワートイレPAシリーズ取扱説明書
このデータは2026年2月 現在のものです。
CW-PA21A-NE-R3 スマートリモコン取扱説明書
このデータは2026年2月 現在のものです。
商品図面
このデータは2026年2月 現在のものです。
CW-PA21A-NE-R3 シャワートイレPAシリーズ施工説明書
このデータは2026年2月 現在のものです。
CW-PA21A-NE-R3 スマートリモコン施工説明書
このデータは2026年2月 現在のものです。
LIXIL お客さま相談センター
LIXILお客さま相談センター
LIXILトップページ
トイレ製品のお問い合わせ:0120-376-833
シャワートイレ製品のお問い合わせ:0120-376-832
水栓金具製品のお問い合わせ:0120-376-836
洗面化粧台・洗濯脱衣室・洗濯機パン・電気温水器製品のお問い合わせ:0120-376-838
キッチン製品のお問い合わせ:0120-376-834
浴室製品のお問い合わせ:0120-376-837
受付時間:月~金 9:00~18:00 土日祝 9:00~17:00















