LIXIL(リクシル) BF-E147TSR 取扱説明書 商品図面 施工説明書 分解図
各種図面のご利用については 免責事項をご確認の上ご利用ください。
BF-E147TSR SPA U取扱説明書
このデータは2026年4月 現在のものです。
BF-E147TSR サーモスタット付シャワーバス水栓(BF-E147T型)取扱説明書
このデータは2026年4月 現在のものです。
商品図面
このデータは2026年4月 現在のものです。
BF-E147TSR サーモスタット付シャワーバス水栓(BF-E147T)施工説明書
このデータは2026年4月 現在のものです。
BF-E147TSR ファインバブルシャワーヘッドSPA U施工説明書
このデータは2026年4月 現在のものです。
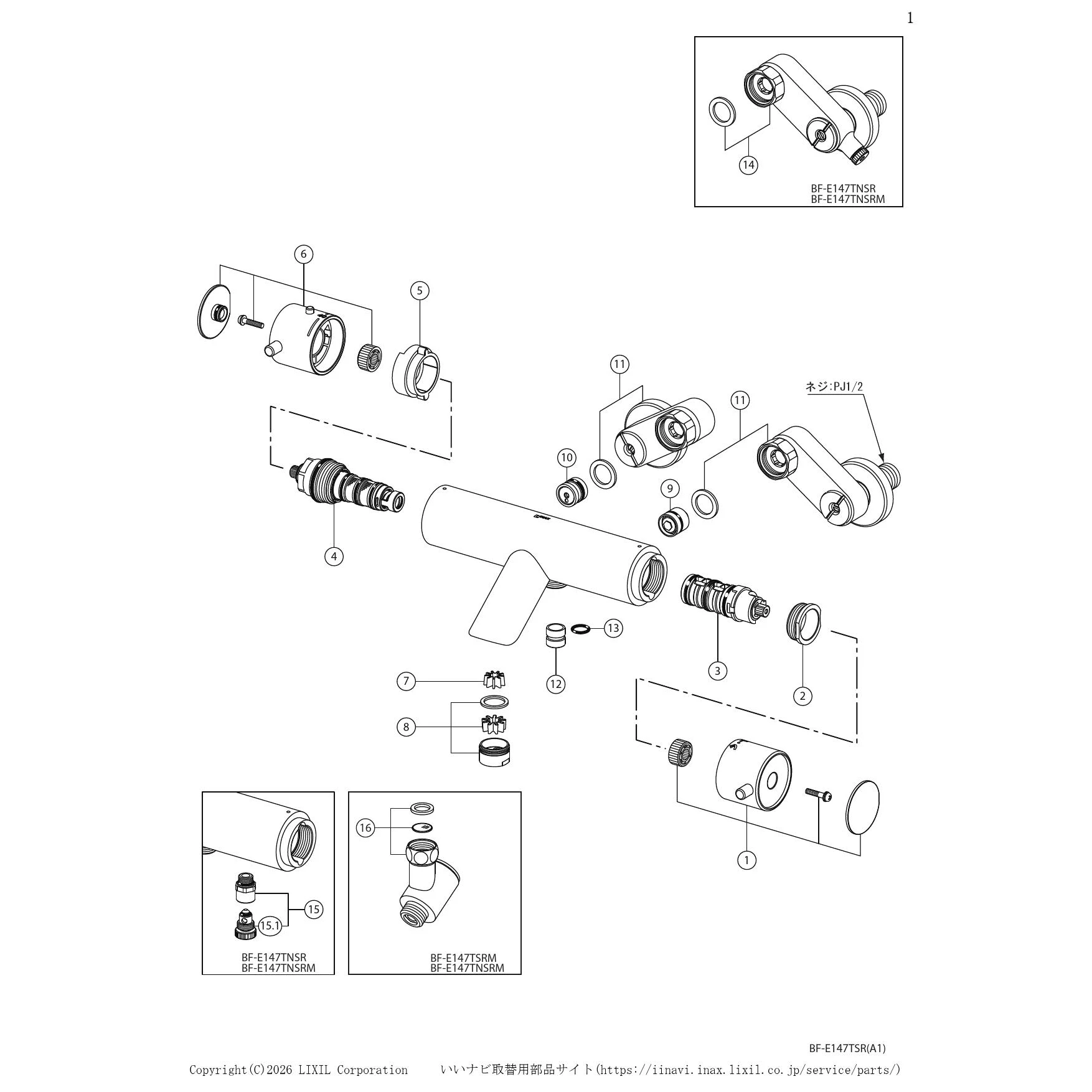
分解図
このデータは2026年4月 現在のものです。
LIXIL お客さま相談センター
LIXILお客さま相談センター
LIXILトップページ
トイレ製品のお問い合わせ:0120-376-833
シャワートイレ製品のお問い合わせ:0120-376-832
水栓金具製品のお問い合わせ:0120-376-836
洗面化粧台・洗濯脱衣室・洗濯機パン・電気温水器製品のお問い合わせ:0120-376-838
キッチン製品のお問い合わせ:0120-376-834
浴室製品のお問い合わせ:0120-376-837
受付時間:月~金 9:00~18:00 土日祝 9:00~17:00




















